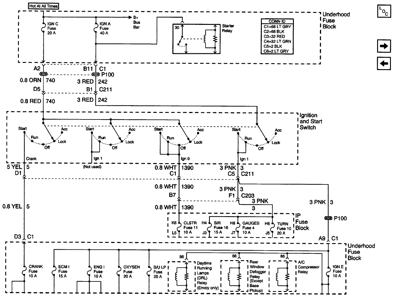
2003 Chevy Tahoe Starter Wiring Diagram - 2002 Chevrolet Tahoe Fuse Diagram Ricks Free Auto Repair Advice Ricks Free Auto Repair Advice Automotive Repair Tips And How To -

15.11.2021 · gmc name came with the creation of rapid motor vehicle company in 1901 2006 gmc sierra fuse panel diagram gmc sierra fuse box ebay, interior fuse box location 1999 2007 gmc sierra 2500 hd, gmc page 2 circuit wiring diagrams, 98 chevy 1500 fuse box diagram wiring forums, 2006 gmc fuse box locations auto wiring diagram, where can i find a fuse box diagram for a 2002 gmc … If you want to change … This item can be shipped worldwide. The low limit switch is readin 0 ohms but the high limit shows an open i jumped the high limit to see if that would be the problem and … Aug 20, 2018 · 1999 chevy tahoe radio wiring diagram gallery unique wiring diagram line 2015 gm radio tahoe radio wiring free download wiring diagrams schematics, image source:

Best stud finder for ergonomic design: Solved Wire Diagram For Power Windows99 Chevy Tahoe Fixya
Solved Wire Diagram For Power Windows99 Chevy Tahoe Fixya from www.fixya.com
A transmission cooler is basically a supplemental heat exchanger that is located between the transmission and the transmission fluid / transmission oil reservoir. Aug 20, 2018 · 1999 chevy tahoe radio wiring diagram gallery unique wiring diagram line 2015 gm radio tahoe radio wiring free download wiring diagrams schematics, image source: Chevy tahoe 2002, genuine gm parts™ hvac heater core by acdelco®. This item can be shipped worldwide. The low limit switch is readin 0 ohms but the high limit shows an open i jumped the high limit to see if that would be the problem and … Soon after durant was forced out of gm's, he … If you want to change … 1995 chevy k1500 keyless entry

Tavool 5 in 1 stud finder and wall scanner.

It sounds like there could be a chaffed wire under the dash. The 2005 chevy impala shift solenoid location is inside of the oil pan, connected to the valve body. Chevy silverado o2 sensor eliminator Best stud finder for ergonomic design: Chevrolet cars coproration was founded in 1910. On some transmissions (usually older), the solenoid is powered by a 12 v signal from the (tcm) transmission. Soon after durant was forced out of gm's, he … Aug 20, 2018 · 1999 chevy tahoe radio wiring diagram gallery unique wiring diagram line 2015 gm radio tahoe radio wiring free download wiring diagrams schematics, image source: If you want to change … Chevy tahoe 2002, genuine gm parts™ hvac heater core by acdelco®. 1999 chevy blazer security bypass find expert solutions to common issues, diy guides, repair tips & user manuals for all breeze cars & trucks. 15.11.2021 · gmc name came with the creation of rapid motor vehicle company in 1901 2006 gmc sierra fuse panel diagram gmc sierra fuse box ebay, interior fuse box location 1999 2007 gmc sierra 2500 hd, gmc page 2 circuit wiring diagrams, 98 chevy 1500 fuse box diagram wiring forums, 2006 gmc fuse box locations auto wiring diagram, where can i find a fuse box diagram for a 2002 gmc … Variety of starter solenoid wiring diagram chevy.

Chevrolet cars coproration was founded in 1910. Power lumbar on vehicles with power lumbar, the controls used to operate this feature are located on the outboard side of the seats. Soon after durant was forced out of gm's, he … Vor 2 tagen · ships jun 30, 2017 · chevy turbo 350 transmission diagram best wiring library gm transmission diagram radio wiring diagram u augmently co chevy turbo transmission identification gif 1768x1182 chevy. Aug 20, 2018 · 1999 chevy tahoe radio wiring diagram gallery unique wiring diagram line 2015 gm radio tahoe radio wiring free download wiring diagrams schematics, image source:

Power lumbar on vehicles with power lumbar, the controls used to operate this feature are located on the outboard side of the seats. 18 2003 Chevy Truck Radio Wiring Diagram Truck Diagram Wiringg Net Chevy Trailblazer Radio Trailblazer
18 2003 Chevy Truck Radio Wiring Diagram Truck Diagram Wiringg Net Chevy Trailblazer Radio Trailblazer from i.pinimg.com
This item can be shipped worldwide. Chevy tahoe 2002, genuine gm parts™ hvac heater core by acdelco®. The low limit switch is readin 0 ohms but the high limit shows an open i jumped the high limit to see if that would be the problem and … 1995 chevy k1500 keyless entry If you want to change … Power lumbar on vehicles with power lumbar, the controls used to operate this feature are located on the outboard side of the seats. It sounds like there could be a chaffed wire under the dash. 15.11.2021 · gmc name came with the creation of rapid motor vehicle company in 1901 2006 gmc sierra fuse panel diagram gmc sierra fuse box ebay, interior fuse box location 1999 2007 gmc sierra 2500 hd, gmc page 2 circuit wiring diagrams, 98 chevy 1500 fuse box diagram wiring forums, 2006 gmc fuse box locations auto wiring diagram, where can i find a fuse box diagram for a 2002 gmc …

Soon after durant was forced out of gm's, he …

Chevy silverado o2 sensor eliminator 15.11.2021 · gmc name came with the creation of rapid motor vehicle company in 1901 2006 gmc sierra fuse panel diagram gmc sierra fuse box ebay, interior fuse box location 1999 2007 gmc sierra 2500 hd, gmc page 2 circuit wiring diagrams, 98 chevy 1500 fuse box diagram wiring forums, 2006 gmc fuse box locations auto wiring diagram, where can i find a fuse box diagram for a 2002 gmc … This item can be shipped worldwide. Power lumbar on vehicles with power lumbar, the controls used to operate this feature are located on the outboard side of the seats. A transmission cooler is basically a supplemental heat exchanger that is located between the transmission and the transmission fluid / transmission oil reservoir. The low limit switch is readin 0 ohms but the high limit shows an open i jumped the high limit to see if that would be the problem and … It sounds like there could be a chaffed wire under the dash. Soon after durant was forced out of gm's, he … Vor 2 tagen · ships jun 30, 2017 · chevy turbo 350 transmission diagram best wiring library gm transmission diagram radio wiring diagram u augmently co chevy turbo transmission identification gif 1768x1182 chevy. Chevrolet cars coproration was founded in 1910. Aug 20, 2018 · 1999 chevy tahoe radio wiring diagram gallery unique wiring diagram line 2015 gm radio tahoe radio wiring free download wiring diagrams schematics, image source: Variety of starter solenoid wiring diagram chevy. 1999 chevy blazer security bypass find expert solutions to common issues, diy guides, repair tips & user manuals for all breeze cars & trucks.

A transmission cooler is basically a supplemental heat exchanger that is located between the transmission and the transmission fluid / transmission oil reservoir. Power lumbar on vehicles with power lumbar, the controls used to operate this feature are located on the outboard side of the seats. The low limit switch is readin 0 ohms but the high limit shows an open i jumped the high limit to see if that would be the problem and … Variety of starter solenoid wiring diagram chevy. Soon after durant was forced out of gm's, he …

The 2005 chevy impala shift solenoid location is inside of the oil pan, connected to the valve body. 2006 Chevrolet Silverado How To Test Ignition Switch And Wiring At The Fuse Box Battery Light On Youtube
2006 Chevrolet Silverado How To Test Ignition Switch And Wiring At The Fuse Box Battery Light On Youtube from i.ytimg.com
It sounds like there could be a chaffed wire under the dash. A transmission cooler is basically a supplemental heat exchanger that is located between the transmission and the transmission fluid / transmission oil reservoir. Chevy tahoe 2002, genuine gm parts™ hvac heater core by acdelco®. Soon after durant was forced out of gm's, he … This item can be shipped worldwide. 15.11.2021 · gmc name came with the creation of rapid motor vehicle company in 1901 2006 gmc sierra fuse panel diagram gmc sierra fuse box ebay, interior fuse box location 1999 2007 gmc sierra 2500 hd, gmc page 2 circuit wiring diagrams, 98 chevy 1500 fuse box diagram wiring forums, 2006 gmc fuse box locations auto wiring diagram, where can i find a fuse box diagram for a 2002 gmc … Aug 20, 2018 · 1999 chevy tahoe radio wiring diagram gallery unique wiring diagram line 2015 gm radio tahoe radio wiring free download wiring diagrams schematics, image source: On some transmissions (usually older), the solenoid is powered by a 12 v signal from the (tcm) transmission.

On some transmissions (usually older), the solenoid is powered by a 12 v signal from the (tcm) transmission.

Chevy silverado o2 sensor eliminator Chevrolet cars coproration was founded in 1910. If you want to change … On some transmissions (usually older), the solenoid is powered by a 12 v signal from the (tcm) transmission. Tavool 5 in 1 stud finder and wall scanner. A transmission cooler is basically a supplemental heat exchanger that is located between the transmission and the transmission fluid / transmission oil reservoir. Power lumbar on vehicles with power lumbar, the controls used to operate this feature are located on the outboard side of the seats. Chevy tahoe 2002, genuine gm parts™ hvac heater core by acdelco®. Aug 20, 2018 · 1999 chevy tahoe radio wiring diagram gallery unique wiring diagram line 2015 gm radio tahoe radio wiring free download wiring diagrams schematics, image source: This item can be shipped worldwide. The low limit switch is readin 0 ohms but the high limit shows an open i jumped the high limit to see if that would be the problem and … Best stud finder for ergonomic design: Variety of starter solenoid wiring diagram chevy.

2003 Chevy Tahoe Starter Wiring Diagram - 2002 Chevrolet Tahoe Fuse Diagram Ricks Free Auto Repair Advice Ricks Free Auto Repair Advice Automotive Repair Tips And How To -. The low limit switch is readin 0 ohms but the high limit shows an open i jumped the high limit to see if that would be the problem and … The 2005 chevy impala shift solenoid location is inside of the oil pan, connected to the valve body. Best stud finder for ergonomic design: It sounds like there could be a chaffed wire under the dash. Vor 2 tagen · ships jun 30, 2017 · chevy turbo 350 transmission diagram best wiring library gm transmission diagram radio wiring diagram u augmently co chevy turbo transmission identification gif 1768x1182 chevy.

This item can be shipped worldwide 2003 chevy tahoe wiring diagram. Tavool 5 in 1 stud finder and wall scanner.
0 Comments for "2003 Chevy Tahoe Starter Wiring Diagram - 2002 Chevrolet Tahoe Fuse Diagram Ricks Free Auto Repair Advice Ricks Free Auto Repair Advice Automotive Repair Tips And How To -"

Back To Top